
Program regulatora przepływów - odpływ Zakład Nowy
Wstęp
Regulator przepływu realizuje funkcję utrzymania stałej temperatury wyjściowej TwyN (wartość wyświetlana na wyświetlaczu stałym) oraz ciśnienia dyspozycyjnego DPN (funkcja 12) na wyjściu odpływu Nowy Zakład. Dodatkowo regulator utrzymuje stałą wartość temperatury wyjściowej na wymienniku po stronie niskiego parametru TonN.
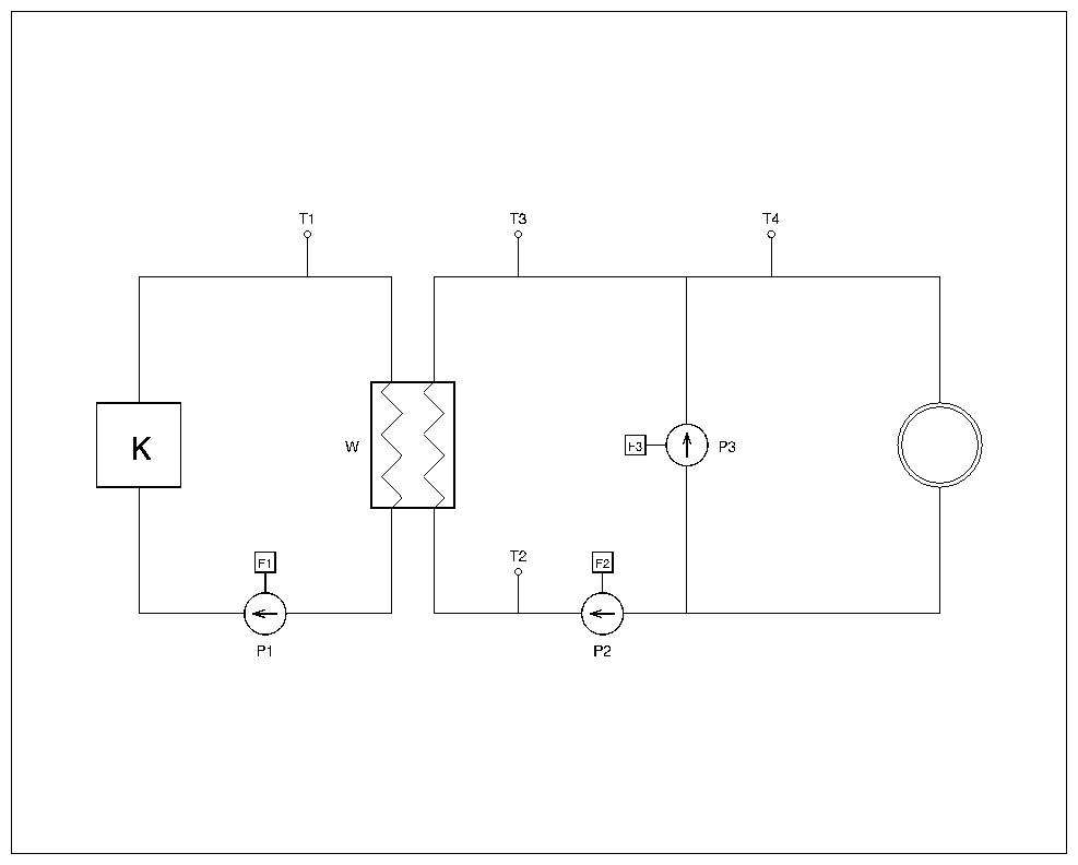
Schemat układu technologicznego wyjścia Nowy Zakład
Pełny schemat układu technologicznego ciepłowni jest dostępny pod adresem http://www.szarp.com.pl/schematy/Dobre_Miasto_schemat.pdf. Poniżej zamieszczamy uproszczony schemat odpływu Nowy Zakład.
gdzie
T1 - TiwN, temperatura wody wejściowej na wymienniku po stronie wysokiego parametru
T2 - TinN, temperatura wody wejściowej na wymienniku po stronie niskiego parametru
T3 - TonN, temperatura wody wyjściowej na wymienniku po stronie wysokiego parametru
T4 - TwyN, temperatura wody wyjściowej na Nowy Zakład
F1 - imwN, falownik pompy wysokiego parametru
F2 - imoN, falownik pompy obiegowej
F3 - imzN, falownik pompy poprzecznej
P1 - PWNZ, pompa wysokiego parametru
P2 - PONZ, pompa obiegowa
P3 - PONZ, pompa poprzeczna
Tryby pracy regulatora oraz przełączanie między nimi
Regulator może pracować w jednym z trzech trybów pracy, które są wybierane przy pomocy trójpozycyjnego przełącznika. Dostępne są następujące tryby pracy:
Przełączanie z trybu pracy ręcznej do trybu synchronizacji jest kłopotliwym przełączeniem. W trybie synchronizacji regulator powiela sygnał z wejścia analogowego na wyjście prądowe, a w trybie pracy ręcznej jest elektrycznie odcięty od sygnałów z zadajników, dlatego też, zanim regulator zacznie prawidłowo powtarzać sygnał do falowników, musi go dokładnie zmierzyć. Z uwagi na filtracje przeciwzakłóceniowe dokładny pomiar sygnału prądowego z zadajnika zajmuje kilka sekund od momentu jego elektrycznego podłączenia do regulatora, które ma miejsce w tym przełączeniu. W przypadku źle zaprogramowanych falowników (jeśli zamiast lotnego startu mają ustawiony start po całkowitym zatrzymaniu) lub zaprogramowanego zbyt krótkiego czasu zwalniania (poniżej 10 sekund) przy zaniku prądowego sygnału sterującego, przełączenie to może nawet doprowadzić do chwilowego odstawienia falowników. Wówczas należy natychmiast załączyć je ponownie. Przełączenie to nie wymaga dodatkowych operacji.
Przełączanie z trybu synchronizacji do trybu pracy ręcznej jest operacją nie wymagającą żadnych dodatkowych czynności. Przełączenie inaczej niż w powyższym przypadku praktycznie nie powoduje zaniku sygnału sterującego wysyłanego do falowników - elektryczne odcięcie sterownika z obwodu regulacji odbywa się na tyle szybko, że pozostaje właściwie niezauważone przez falowniki.
Przełączanie z trybu synchronizacji do trybu pracy automatycznej może wiązać się z gwałtowną zmianą wysterowania falowników pomp poprzecznych i obiegowych, gdy zadane wartości wysterowań nie są prawidłowo ustawione. Aby przełączenie było łagodne, należy sprawdzić poprawność wszystkich parametrów jeszcze w trybie synchronizacji.
Sposób wyliczania temperatury odniesienia za wymiennikiem po stronie niskiego parametru
Temperatura odniesienia po stronie niskiego parametru wymiennika TxnN jest wyliczana automatycznie przez sterownik. Początkowo wartość ta jest wyliczana jako:
1 | TxnN = TodN + 5°C
|
Następnie w trakcie regulacji temperatura odniesienia po stronie niskiego parametru wymiennika TxnN jest modyfikowana w zależności od aktualnego wysterowania pompy obiegowej oraz aktualnej temperatury wyjściowej według następującego algorytmu:
1 | jeżeli imoN = 100% oraz TwyN < TodN - 1°C
|
2 | TxnN = TxnN + 1°C
|
3 | w przeciwnym wypadku jeżeli imoN = 50% oraz TwyN > TodN + 1°C
|
4 | TxnN = TxnN - 1°C
|
Sposób wyliczania temperatury odniesienia dla odpływu Nowy Zakład
Temperatura odniesienia dla odpływu Nowy Zakład jest obliczana według wzoru:
1 | TodN = Twy_siec + (Twy_siec - Tod_siec) * 2 + Kto |
gdzie:
TodN - temperatura odniesienia (do utrzymania) wody wyjściowej na Nowy Zakład (funkcja Tod - funkcja)
Kto - zaprogramowana korekta temperatury wody wyjściowej na Nowy Zakład w stosunku do temperatury wody wyjściowej na główne wyjście
Twy_siec - temperatura wody wyjściowej na główne wyjście (funkcja Twy_siec - funkcja)
Tod_siec - temperatura odniesienia (do utrzymania) wody wyjściowej na główne wyjście (funkcja Tod_siec - funkcja)
Powyższy wzór jest odpowiedni dla mniejszych odpływów, jakim jest Nowy Zakład. Jednym z zadań regulatora odpływu Nowy Zakład jest wspomaganie regulatora nadrzędnego w utrzymywaniu temperatury wody wyjściowej na główne wyjście Twy_siec - ponieważ jest to odpływ ok. 2 razy mniejszy niż główne wyjście, może on buforować odchyłki temperatury wody wyjściowej na główne wyjście przez 2-krotne zwiększenie własnej odchyłki w stosunku do różnicy Twy_siec od temperatury odniesienia Tod_siec. Człon Kto wynika z tego, że chcemy różnicować temperaturę na wyjściu Nowy Zakład do temperatury wyjściowej na główne wyjście w celu minimalizacji start na przesyle.
Algorytm regulacji ciśnienia dyspozycyjnego i temperatury
Algorytm utrzymuje ciśnienie dyspozycyjne DP w zakresie stałych widełek odchyłki od ciśnienia dyspozycyjnego odniesienia (funkcja DPod - funkcja) o +/- widełki ciśnienia dyspozycyjnego.
Działanie algorytmu jest następujące:
1 | jeżeli (DP > DPg) to |
2 | jeżeli (TwyN > TodN) to |
3 | imoN = imoN - d_imoN |
4 | w przeciwnym wypadku |
5 | imoN = imoN - d_imo |
6 | imzN = imzN - d_imz - wartość |
7 | w przeciwnym wypadku jeżeli (DP < DPd) to |
8 | jeżeli (TwyN < TodN) to |
9 | imoN = imoN + d_imo |
10 | w przeciwnym wypadku |
11 | imoN = imoN + d_imo |
12 | imzN = imzN + d_imz - wartość |
13 | w przeciwnym wypadku |
14 | jeżeli (TwyN > TodN + widełki temperatury) to |
15 | imoN = imoN - d_imo |
16 | w przeciwnym wypadku jeżeli (TwyN < TodN - widełki temperatury) to |
17 | imoN = imoN + d_imo |
gdzie:
DP - aktualna wartość ciśnienia dyspozycyjnego na wyjściu Nowy Zakład (funkcja DP - funkcja)
DPd - minimalne ciśnienie dyspozycyjne (funkcja DPd - funkcja), zawsze stale mniejsze o widełki ciśnienia dyspozycyjnego od ciśnienia dyspozycyjnego odniesienia (do utrzymania; funkcja DPod - funkcja)
DPg - maksymalne ciśnienie dyspozycyjne (funkcja DPg - funkcja), zawsze stale większe o widełki ciśnienia dyspozycyjnego od ciśnienia dyspozycyjnego odniesienia (do utrzymania; funkcja DPod - funkcja)
TwyN - aktualna temperatura wody wyjściowej na Nowy Zakład (wartość wyświetlana na wyświetlaczu stałym)
TodN - temperatura wody odniesienia (do utrzymania) wody wyjściowej na Nowy Zakład (funkcja Tod - funkcja)
imoN - wysterowanie falownika pompy obiegowej (funkcja imo - funkcja)
d_imo - zadany skok zmiany wysterowania falownika pompy obiegowej (funkcja d_imo - funkcja)
imzN - wysterowanie falownika pompy poprzecznej (funkcja imz - funkcja)
d_imz - nazwa - zadany skok zmiany wysterowania falownika pompy poprzecznej (funkcja d_imz - funkcja)
Wartości wysterowań falowników obydwu pomp (poprzecznej oraz obiegowej) nie mogą spaść poniżej wartości minimalnej, która wynosi 50%. Ograniczenie to pozwala uniknąć sytuacji, w której przepływ przez daną pompę zaniknąłby. Przykład sterowania falownikiem pompy w takiej sytuacji widać na wykresie:
![]() |
(rys.1) |
W oznaczonym numerem 1 miejscu widać, że spadek temperatury wejściowej na wymienniku po stronie wysokiego parametru TiwN spowodował spadek wysterowania falownika pompy wysokiego parametru imwN. Jej wysterowanie zatrzymało się jednak na poziomie 50% (zgodnie z powyższym opisem), dzięki czemu nie zaistniało ryzyko zaniku przepływu po stronie wysokiego parametru.
Skutki sterowania falownikiem pompy obiegowej przedstawia poniższy wykres:
![]() |
(rys.2) |
Widzimy na nim, że wysterowanie falownika pompy obiegowej imoN maleje (zbocze oznaczone 1a), w wyniku czego rośnie temperatura na wyjściu wymiennika po stronie niskiego parametru TwyN (zbocze 1b). Jednocześnie możemy zauważyć reakcję na sytuację przeciwną - odpowiednio zbocza 2a i 2b.
Zachowanie we wszystkich przypadkach powyższego algorytmu ilustrują wykresy:
![]() |
(rys.3) |
Powyższy wykres przedstawia sytuację, gdy ciśnienie dyspozycyjne DP/DPS przekracza górną granicę widełek DPg/DPgS (miejsce oznaczone 1) oraz temperatura wyjściowa odpływu Nowy Zakład TwyN/TwyS jest niższa niż temperatura odniesienia TodN/TodS dla tego odpływu (miejsce oznaczone 2) - jest to sytuacja z linii 4-6 algorytmu. W tym momencie zostały zmniejszone wysterowania falowników pompy poprzecznej imzN/imzS oraz pompy obiegowej imoN/imoS (odpowiednio miejsca oznaczone 3 i 4). Kiedy jednak temperatura wyjściowa odpływu Nowy Zakład TwyN/TwyS wzrosła do wartości wyższej niż temperatura odniesienia TodN/TodS dla tego odpływu (miejsce oznaczone 5), regulator, zgodnie z liniami 2-3 algorytmu, przestał sterować pompą poprzeczną imzN/imzS (miejsce oznaczone 6) nie zmieniając regulacji pompą obiegową imoN/imoS.
![]() |
(rys.4) |
Na powyższym wykresie widać sytuację, kiedy ciśnienie dyspozycyjne DP/DPP spadło poniżej dolnej granicy widełek DPd/DPdP (miejsce oznaczone 1), a jednocześnie temperatura wyjściowa odpływu Nowy Zakład TwyN/Twy2 była niższa niż temperatura odniesienia TodN/Tod2 dla tego odpływu (miejsce oznaczone 2) - jest to sytuacja z linii 8-9 algorytmu. Regulator w tej sytuacji zwiększył wysterowanie pompy obiegowej imoN/imo2, co widać na zboczu oznaczonym 3. Jednocześnie widać na tym wykresie, że chwilę później, w momencie, gdy temperatura temperatura wyjściowa odpływu Nowy Zakład TwyN/Twy2 stała się wyższa niż temperatura odniesienia TodN/Tod2 dla tego odpływu (miejsce oznaczone 4) przy cały czas utrzymującym się poziomie ciśnienia dyspozycyjnego DP/DPP mniejszym niż dolna granica widełek DPd/DPdP, regulator zaczął zwiększać również wysterowanie pompy zmieszania zimnego imzN/imz2 (miejsce oznaczone 5), co odpowiada liniom 10-12 algorytmu.
![]() |
(rys.5) |
Kolejny wykres prezentuje dość skomplikowaną sytuację. W pierwszej fazie (godziny od 12:50 do 13:10) niemalże na przemian działają dwa warunki z algorytmu: linie 10-12 oraz linie 14-15 - dzieje się tak, ponieważ wartość ciśnienia dyspozycyjnego DP/DPN oscyluje wokół wartości dolnej granicy widełek DPd/DPdN (miejsce oznaczone 1), a temperatura wyjściowa odpływu Nowy Zakład TwyN jest wyższa niż temperatura odniesienia TodN dla tego odpływu (miejsce oznaczone 2). Regulator w tej sytuacji na przemian zwiększa wysterowanie falownika pompy obiegowej imoN oraz wysterowanie falownika pompy poprzecznej imzN (odpowiedzialne są za to linie 10-12 algorytmu) oraz zmniejsza wysterowanie falownika pompy obiegowej imoN, w wyniku czego wartość wysterowania falownika pompy obiegowej imoN na wykresie wygląda na prawie stałą (miejsce oznaczone 3). W drugiej fazie (godziny od 13:20 do 16:40) zdecydowanie częściej występuje sytuacja, w której wartość ciśnienia dyspozycyjnego DP/DPN mieści się między dolną granicą widełek DPd/DPdN a górną ich granicą DPg/DPgN (wyrażona w liniach 14-15 algorytmu), stąd sterownik zmniejsza wartość wysterowania falownika pompy obiegowej imoN (miejsce oznaczone 4). Wzrost wartości wysterowania falownika pompy poprzecznej imzN (miejsce oznaczone 5) wynika z tego, że mimo wszystko sytuacja, kiedy ciśnienie dyspozycyjne DP/DPN spada poniżej dolnej granicy widełek DPd/DPdN nadal występuje, aczkolwiek znacznie rzadziej niż w pierwszej fazie).
![]() |
(rys.6) |
Na ostatnim z wykresów widzimy sytuację przeciwną do poprzedniej, tzn. kiedy temperatura wyjściowa odpływu Nowy Zakład TwyN/Twy2 rośnie powyżej temperatury odniesienia TodN/Tod2 dla tego odpływu (miejsce oznaczone 1), regulator zmienia sterowanie pompą obiegową imoN/imo2 na przeciwne, tzn. zwiększa jej wysterowanie (miejsce oznaczone 2) - takie działanie jest zapisane w liniach 16-17 algorytmu.
Algorytm regulacji temperatury wyjściowej na wymienniku po stronie niskiego parametru
Algorytm utrzymuje temperaturę wyjściową na wymienniku po stronie niskiego parametru TonN w odległości 15°C od temperatury wejściowej na wymienniku po stronie wysokiego parametru TiwN.
Działanie algorytmu:
1 | jeżeli (TonN < (TiwN - 15°C) - 2°C) to |
2 | imwN = imwN + d_imwN |
3 | jeżeli (TonN > (TiwN - 15°C) - 2°C) to |
4 | imwN = imwN - d_imwN |
gdzie:
TonN - temperatura wyjściowa na wymienniku po stronie niskiego parametru (funkcja 63)
TiwN - temperatura wejściowa na wymienniku po stronie wysokiego parametru (funkcja 60)
imwN - wysterowanie falownika pompy wysokiego parametru (funkcja 04)
d_imwN - zadany skok zmiany wysterowania falownika pompy wysokiego parametru (funkcja 92)
Działanie powyższego algorytmu ilustrują poniższe dwa wykresy:
![]() |
(rys.1) |
Na powyższym wykresie widać sytuację, kiedy temperatura wyjściowa po stronie niskiego parametru wymiennika TonN jest niższa niż temperatura wejściowa po stronie wysokiego parametru wymiennika TiwN pomniejszona o zadaną wartość (w tym przykładzie 15°C) - jest to miejsce oznaczone 1. Na taką sytuację, zgodnie z liniami 1-2 algorytmu, regulator reaguje zwiększając wysterowanie falownika pompy wysokiego parametru wymiennika imwN, czego przykładem jest zbocze oznaczone 2. Zbocze oznaczone jako 3 jest sytuacją, która nie powinna się stać przy regulacji automatycznej - nachylenie tego zbocza jest zbyt duże. W tym miejscu widać, że obsługa ciepłowni przełączyła regulator w tryb pracy w synchronizacji ręcznie ustawiając wysterowanie falownika pompy wysokiego parametru imwN. Sytuację z drugiej gałęzi algorytmu przedstawia drugi wykres:
![]() |
(rys.2) |
Widać tutaj, że w miejscu oznaczonym 1 temperatura wyjściowa po stronie niskiego parametru wymiennika TonN jest wyższa niż temperatura wejściowa po stronie wysokiego parametru wymiennika TiwN pomniejszona o zadaną wartość, co spowodowało zmniejszenie wysterowania falownika pompy wysokiego parametru wymiennika imwN (zbocze 2) - tej sytuacji odpowiadają linie 3-4 algorytmu. Również w tym miejscu widać, że w miejscu oznaczonym 3 obsługa przełączyła sterownik w tryb pracy w synchronizacji.
Znaczenie poszczególnych funkcji
Wyświetlacz stały [TEMPERATURA WYJ] - Temp. wyjściowa - Temperatura wody wyjściowej do sieci c.o. (Twy3) [°C] - Pomiar z czujnika Pt100, zakres przetwarzania 0..200°C, wejście 11.
00 - Temp. odniesienia - Zadana temperatura wody wyjściowej (Tod3) [°C] - Wartość temperatury odniesienia będąca sumą aktualnej temperatury wyjściowej (wartość wyświetlana na wyświetlaczu stałym), różnicy dwukrotności aktualnej temperatury wody wyjściowej z ciepłowni (funkcja 42) i temperatury odniesienia dla ciepłowni (funkcja 41) oraz korekty temperatury odniesienia ze sterownika nadrzędnego (funkcja 70).
02 - Wyst. fal. p. ob. - Aktualne wysterowanie falownika pompy obiegowej (imo3) [%] - Aktualna, procentowa wartość wysterowania pompy obiegowej. Wysterowanie przekłada się liniowo na częstotliwość tzn. każda zmiana wysterowania o 1 % oznacza zmianę częstotliwości o 0.5 Hz
03 - Wysterowanie fal. pompy obiegowej z zadajnika (izo3) [%] - Ta wartość jest podawana na falownik pompy obiegowej, gdy przełącznik trybu pracy znajduje się w pozycji "1 - Praca ręczna" lub pozycji "2 - Synchronizacja".
04 - Wyst. fal. p. w.p. - Aktualne wysterowanie falownika pompy w.p. wym. (imw) [%] - Funkcja 02 dla pompy wysokiego parametru
05 - Wysterowanie fal. pompy w.p. wym. z zadajnika (Iw3) [%] - Funkcja 03 dla pompy wysokiego parametru
06 - Wyst. fal. p. pop. - Aktualne wysterowanie falownika pompy poprzecznej (imp_z) [%] - Funkcja 02 dla pompy poprzecznej
07 - Wysterowanie fal. pompy poprzecznej z zadajnika (izz3) [%] - Funkcja 03 dla pompy poprzecznej
08 - Temp. powrotna - Temperatura wody powrotnej z sieci c.o. (Tpow3) [°C] - Aktualna temperatura wody powracającej do ciepłowni. Pomiar - czujnik Pt100, zakres przetwarzania 0..150 °C
10 - Zadane ciśn. dysp. - Zadane ciśnienie dyspozycyjne (DPx) [MPa] - Parametr programowalny w postaci paczki czasowej 10, określa wartość ciśnienia dyspozycyjnego do utrzymania.
11 - Min. ciśnienie dysp. - Minimalne ciśnienie dyspozycyjne (DPd3) [MPa] - Dolne widełki ciśnienia dyspozycyjnego, mniejsze od zadanego ciśnienia dyspozycyjnego (funkcja 10) o stałą wartość 0.007 MPa
12 - Ciśnienie dysp. - Aktualne ciśnienie dyspozycyjne (DP3) [MPa] - Wartość uzyskana przez odjęcie wartości ciśnienia powrotu (funkcja 15) od wartości ciśnienia wyjściowego (funkcja 14)
13 - Max. ciśnienie dysp. - Maksymalne ciśnienie dyspozycyjne (DPg3) [MPa] - Górne widełki ciśnienia dyspozycyjnego, większe od zadanego ciśnienia dyspozycyjnego (funkcja 10) o stałą wartość 0.007 MPa
14 - Ciśnienie zasilania - Ciśnienie wody zasilającej sieć c.o. (Pza3) [MPa] - Pomiar przetwornikiem ciśnienia. Zakres pomiarowy 0.6 MPa, sygnał 4..20 mA.
15 - Ciśnienie powrotu - Ciśnienie wody powrotnej z sieci c.o. (Ppw3) [MPa] - Pomiar przetwornikiem ciśnienia. Zakres pomiarowy 0.6 MPa, sygnał 4..20 mA.
22 - Wydajność N. Zakład - Moc wyjściowa (Qwy3) [MW] - Aktualna wartość mocy, obliczona na podstawie Temperatury wyjściowej (Wartość na wyświetlaczu stałym), temperatury powrotnej (funkcja 08 i aktualnego przepływu (funkcja 30)
30 - Przepływ - Aktualny przepływ w sieci c.o. (Gwy3) [t/h] - Wartość aktualnego przepływu odbierana ze sterownika nadrzędnego
33 - Przepł Warfama CWU - Przepływ Warfama CWU (GwCN) [t/h] - Pomiar przetwornikiem przepływu: sygnał 4..20 mA, zakres 0..500.0 t/h
41 - Przepł Warfama CWU - Przepływ Warfama CWU (GwCN) [t/h] - aktualna temperatura sterująca przesyłana ze sterownika nadrzędnego
42 - Temperatura wyjściowa na sieć z nadrzędnego (Twyn) [°C] - aktualna temperatura normalna przesyłana ze sterownika nadrzędnego
60 - Temp. zas. w.p. wym. - Temperatura zasilania w.p. wymiennik (Twz) [°C] - Aktualna temperatura wody wejściowej na wymienniku po stronie wysokiego parametru.
61 - Temp. pow. w.p. wym. - Temperatura powrotu w.p. wymiennik (Twp) [°C] - Aktualna temperatura wody wyjściowej na wymienniku po stronie wysokiego parametru.
62 - Temp. zas. n.p. wym. - Temperatura zasilania n.p. wymiennik (Tnz) [°C] - Aktualna temperatura wody wejściowej na wymienniku po stronie niskiego parametru.
63 - Temp. pow. n.p. wym. - Temperatura powrotu n.p. wymiennik (Tnp) [°C] - Aktualna temperatura wody wyjściowej na wymienniku po stronie niskiego parametru.
70 - Korekta Tod - Korekta zadanej temperatury wyjściowej (Kor3) [°C] - Wartość korekty do temperatury wyjściowej odniesienia programowana na funkcji 70
90 - skok wysterowania falownika pompy obiegowej [%] - Wartość programowana na funkcji 90 o jaką jest zmieniane wysterowanie falownika pompy obiegowej w trakcie regulacji. Zbyt duże wartości mogą doprowadzić do oscylacji w układzie regulacji, natomiast zbyt małe wartości spowolnią dochodzenie do stanu ustalonego.
91 - skok wysterowania falownika pompy poprzecznej [%] - Funkcja 90 dla pompy wysokiego parametru.
97 - Stan wejść logicznych 1-4 - Na poszczególnych pozycjach wyświetlacza pokazywane są stany wejść logicznych: zwarte = "1", rozwarte = "0". Pozycje liczone są od lewej strony: na wartości wyświetlanej 97 pierwsza cyfra pokazuje stan wejścia logicznego nr 1, druga stan wejścia logicznego nr 2 itp.
98 - Stan wejść logicznych 5-8 - Funkcja 97 dla wejść 5-8
Panel wyświetlaczy nr 2, pozycja na wyświetlaczu: 1 - - - Aktualna wartość mocy, obliczona na podstawie Temperatury wyjściowej (Wartość na wyświetlaczu stałym), temperatury powrotnej (funkcja 08 i aktualnego przepływu (funkcja 30).
Panel wyświetlaczy nr 2, pozycja na wyświetlaczu: 2 - - - Wartość uzyskana przez odjęcie wartości ciśnienia powrotu (funkcja 15) od wartości ciśnienia wyjściowego (funkcja 14).
Panel wyświetlaczy nr 2, pozycja na wyświetlaczu: 3 - - - Wartość aktualnego przepływu odbierana ze sterownika nadrzędnego.
Panel wyświetlaczy nr 2, pozycja na wyświetlaczu: 4 - - Pomiar przetwornikiem ciśnienia. Zakres pomiarowy 0.6 MPa, sygnał 4..20 mA.
Wartości wyświetlane
| numer | opis |
| stały wyświetlacz | Temp. wyjściowa - Temperatura wody wyjściowej do sieci c.o. (Twy3) [°C] |
| nE | Wersja pamięci EPROM: 2313 |
| nP | Wersja programu technologicznego: 9001 |
| 00 | Temp. odniesienia - Zadana temperatura wody wyjściowej (Tod3) [°C] |
| 02 | Wyst. fal. p. ob. - Aktualne wysterowanie falownika pompy obiegowej (imo3) [%] |
| 03 | Wysterowanie fal. pompy obiegowej z zadajnika (izo3) [%] |
| 04 | Wyst. fal. p. w.p. - Aktualne wysterowanie falownika pompy w.p. wym. (imw) [%] |
| 05 | Wysterowanie fal. pompy w.p. wym. z zadajnika (Iw3) [%] |
| 06 | Wyst. fal. p. pop. - Aktualne wysterowanie falownika pompy poprzecznej (imp_z) [%] |
| 07 | Wysterowanie fal. pompy poprzecznej z zadajnika (izz3) [%] |
| 08 | Temp. powrotna - Temperatura wody powrotnej z sieci c.o. (Tpow3) [°C] |
| 10 | Zadane ciśn. dysp. - Zadane ciśnienie dyspozycyjne (DPx) [MPa] |
| 11 | Min. ciśnienie dysp. - Minimalne ciśnienie dyspozycyjne (DPd3) [MPa] |
| 12 | Ciśnienie dysp. - Aktualne ciśnienie dyspozycyjne (DP3) [MPa] |
| 13 | Max. ciśnienie dysp. - Maksymalne ciśnienie dyspozycyjne (DPg3) [MPa] |
| 14 | Ciśnienie zasilania - Ciśnienie wody zasilającej sieć c.o. (Pza3) [MPa] |
| 15 | Ciśnienie powrotu - Ciśnienie wody powrotnej z sieci c.o. (Ppw3) [MPa] |
| 22 | Wydajność N. Zakład - Moc wyjściowa (Qwy3) [MW] |
| 30 | Przepływ - Aktualny przepływ w sieci c.o. (Gwy3) [t/h] |
| 33 | Przepł Warfama CWU - Przepływ Warfama CWU (GwCN) [t/h] |
| 40 | Temp. odn. n.p. wym. - Temperatura odniesienia n.p. wymiennik (Txn3) [°C] |
| 42 | Temperatura wyjściowa na sieć z nadrzędnego (Twyn) [°C] |
| 60 | Temp. zas. w.p. wym. - Temperatura zasilania w.p. wymiennik (Twz) [°C] |
| 61 | Temp. pow. w.p. wym. - Temperatura powrotu w.p. wymiennik (Twp) [°C] |
| 62 | Temp. zas. n.p. wym. - Temperatura zasilania n.p. wymiennik (Tnz) [°C] |
| 63 | Temp. pow. n.p. wym. - Temperatura powrotu n.p. wymiennik (Tnp) [°C] |
| 70 | Korekta Tod - Korekta zadanej temperatury wyjściowej (Kor3) [°C] |
| 90 | skok wysterowania falownika pompy obiegowej [%] |
| 91 | skok wysterowania falownika pompy poprzecznej [%] |
| 92 | skok wysterowania falownika pompy wp [%] |
| 97 | Stan wejść logicznych 1-4 |
| 98 | Stan wejść logicznych 5-8 |
Paczki
| numer | minimalna wartość | maksymalna wartość | domyślna wartość | opis |
| 10 | 0,010 | 0,600 | 0,035 | Zadane ciśn. dysp. - Zadane ciśnienie dyspozycyjne (DPx) [MPa] |
Wartości stałe
| numer | minimalna wartość | maksymalna wartość | domyślna wartość | opis |
| 70 | -30,0 | 10,0 | -10,0 | Korekta Tod - Korekta zadanej temperatury wyjściowej (Kor3) [°C] |
| 90 | 0,1 | 0,5 | 0,1 | skok wysterowania falownika pompy obiegowej |
| 91 | 0,1 | 0,5 | 0,1 | skok wysterowania falownika pompy poprzecznej |
| 92 | 0,1 | 0,5 | 0,1 | skok wysterowania falownika pompy w.p. |
Wejścia analogowe
| numer | opis |
| 01 | Ciśnienie zasilania - Ciśnienie wody zasilającej sieć c.o. (Pza3) (4..20mA) |
| 02 | Ciśnienie powrotu - Ciśnienie wody powrotnej z sieci c.o. (Ppw3) (4..20mA) |
| 03 | Ciśnienie dysp. - Aktualne ciśnienie dyspozycyjne (DP3) (4..20mA) |
| 04 | zadajnik prądowy falownika pompy obiegowej (0..20mA) |
| 05 | zadajnik prądowy falownika pompy wysokiego parametru (0..20mA) |
| 06 | zadajnik prądowy falownika pompy poprzecznej (0..20mA) |
| 07 | Temp. zas. w.p. wym. - Temperatura zasilania w.p. wymiennik (Twz) (0..200°C) |
| 08 | Temp. pow. w.p. wym. - Temperatura powrotu w.p. wymiennik (Twp) (0..200°C) |
| 09 | Temp. zas. n.p. wym. - Temperatura zasilania n.p. wymiennik (Tnz) (0..200°C) |
| 10 | Temp. pow. n.p. wym. - Temperatura powrotu n.p. wymiennik (Tnp) (0..200°C) |
| 11 | Temp. wyjściowa - Temperatura wody wyjściowej do sieci c.o. (Twy3) (0..200°C) |
| 12 | Temp. powrotna - Temperatura wody powrotnej z sieci c.o. (Tpow3) (0..200°C) |
Wejścia logiczne
| numer | opis |
| 01 | praca automatyczna |
| 02 | synchronizacja |
| 03 | rezerwa |
| 04 | rezerwa |
| 05 | awaria falownika pompy mieszania zimnego |
| 06 | awaria falownika pompy mieszania gorącego |
| 07 | test sygnalizacji |
| 08 | kasowanie sygnalizacji |
Wyjścia analogowe
| numer | opis |
| 01 | Wyst. fal. p. pop. - Aktualne wysterowanie falownika pompy poprzecznej (imp_z) [%] |
| 02 | Wyst. fal. p. ob. - Aktualne wysterowanie falownika pompy obiegowej (imo3) [%] |
| 03 | Wyst. fal. p. w.p. - Aktualne wysterowanie falownika pompy w.p. wym. (imw) [%] |
Wyjścia przekaźnikowe
| numer | opis |
| 01 | praca automatyczna |
| 02 | rezerwa |
| 03 | rezerwa |
| 04 | awaria falownika pompy zmieszania zimnego |
| 05 | awaria falownika pompy obiegowej |
| 06 | rezerwa |
| 07 | rezerwa |
| 08 | ciśnienie dysp. w zakresie regulacji |
| 09 | brak transmisji |
| 10 | koniec zakresu regulacji ciśnienia dyspozycyjnego |
| 11 | temperatura wyjściowa min/max |
| 12 | ciśnienie dyspozycyjne min/max |
| 13 | ciśnienie miedzykolektorowe min/max |
| 14 | rezerwa |
| 15 | rezerwa |
| 16 | buczek |
| 17 | rezerwa |
Instrukcja obsługi regulatora Z-Elektronik
Instrukcja obsługi panelu blokad
Deklaracja zgodności CE regulatora Z-Elektronik
Automatically generated by DOCGEN on 2025.09.13 03:21:16
based on /var/szarp/programy/trunk/dobremia/sterow/2313/1000/prznwyk.c